本论文是一篇智能建筑类论文参考文献格式,关于弱电控制强电的应用相关毕业论文提纲范文。免费优秀的关于智能建筑及电气设备及自动化方面论文范文资料,适合智能建筑论文写作的大学硕士及本科毕业论文开题报告范文和学术职称论文参考文献下载。
[摘 要]从电的发展史看,人类先是发现并使用了强电.随着信息时代的到来,弱电又开始被广泛使用并有了飞快的发展.弱电和强电对人类社会和历史的发展起着十分巨大的作用,弱电和强电的结合,用弱电来控制强电,来使机器自动化,建筑智能化.升降电梯,火警报警,温室里的温湿度控制,工厂里的各种机器等弱电控制强电的应用无处不在.而常用的方法就是用单片机处理,产生弱电信号,在通过固态继电器(SSR)来控制高压的工作电路开关.
[关 键 词]弱电;强电;控制;单片机;固态继电器
【中图分类号】TM76【文献标识码】A【文章编号】1007-4244(2014)03-192-1
一、弱电和强电
日常生活中的弱电,一般是指传输和交换信息的电信号,它主要为通信等进行调控.弱电具有使用电压小(V/mV)、工作电流低(mA/uA)、使用功率小(W/mW)、工作频率高(kHz/MHz)的特性.因为这些特性,人们对于弱电的使用就变得方便简单,再加之弱电的工作电压低,使用上的安全性就相对较高了.这也是用弱电来控制相对危险的强电的好处之一.强电,通俗地讲,就是我们的电气设备所用的电,主要为电力设备提供电力支持.它有使用电压高(V/kV)、工作电流大(A/kA)、使用功率大(kW/MW)、工作频率低(50Hz)的特性.
二、弱电和强电的应用
我们平时接触到的一些弱电设备,就有低压的直流电源、应急备用电源等.还有人们普遍使用电视、手机、电脑时语音、图像、数据的信息传递也是使用的弱电.总的来说,生活中所接触和应用到的数据就是弱电的一种形态.可见弱电被广泛的用于信息的传递,同时在信息的传递过程中对信息

智能建筑类论文范文集
弱电系统又是对弱电技术更广泛全面系统的应用.一个建筑的后期建设,很大程度上就要对它的弱电系统进行合理完整的设计.既要满足高效率、低能耗、低污染,还要保证安全可靠,防止各种意外.因为弱电系统的设计,涉及到建筑的监控系统、消防系统、通信、还有用于计算机网络以及综合布线等.而弱电系统的设计,正是为了能更好的控制使用强电系统,起到弱电控制强电的效果.同时强电系统的设计,不仅要可靠灵活,还要高效经济且安全.有了对弱电控制强电技术的充分、合理的应用,强弱结合,才会使建筑按照人的目的走向自动化、信息化、智能化.
三、单片机在弱电控制强电上的应用
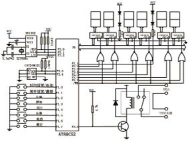
实现弱电对于强电方面的控制全部过程,我们平时最频繁用到的系统就是由单片机为主导的控制系统.单片机体积小、重量轻、集成度高、抗干扰能力强、性价比高.根据编写程序的不同,单片机就能在弱电控制强电上执行不同的功能,使得它的应用更加广泛灵活.温湿度监控,定时装置,自动控制等都可用单片机来实现信号处理.以自动监控温度为例,电源是一个正五伏的稳压电源,,连接单片机的温度探头在采集到温度后,由单片机按照事先写入的程序进行处理.当发现测到的温度不在设定范围内,单片机输出信号(例如可输出一个高电平)给固态继电器来控制工作电路的启动,让风机、空调等开始启动,从而调节室内温度.
四、固态继电器在弱电控制强电上的应用
继电器是用于弱电控制强电的理想元件,其中的固态继电器(SSR)更被极为广泛的应用.SSR是一种无触点功率半导体器件,具有输入控制电压低(3-32V),输入控制电压与TTL、CMOS等电平兼容,这使得SSR能与单片机非常完美灵活的配合工作.它的输出、输入间一般采用光电隔离,隔离绝缘大于2kV,符合国际电气安全标准,应用于高压电路中安全可靠.再加之其输出无触点、无噪声、无火花、开关速度快、输出电压可根据输出电路的具体情况有多种规格选择,让它的应用普遍且简单方便.它就像工作电路的开关,在输入端收到信号前,SSR处于断开状态,接收到单片机发来的信号后,开关闭合,输出端的电路开始工作.
五、应用中的注意事项
电始终都是对人有危险性存在的,所以即便是在用弱点控制强电,也有要多加注意的地方.对不同功率的负载,SSR的型号一定要根据对应功率、电流的来选择,另外还要注意考在开关瞬间的顺势电流;要做到定期检查维护,不管是弱电系统还是强电系统.
本篇论文来源 http://www.sxsky.net/yixue/010109515.html
六、结语
将弱电和强电二者结合,用弱电去控制强电,可以很好的互相弥补弱电和强电的各自缺点并发扬它们的优点.当今时代下,物联网,智能建筑正是人类着重发展的对象,而这些都离不开对弱电控制强电的需求.对弱电控制强电更进一步的研究和应用也还有很大的空间,这也正是电气自动化发展的现有情况以及未来发展趋势.本文对现有弱电控制强电的应用做了一个总结性的讲解,望能帮助读者轻松认识到弱电控制强电这一技术.
| 有关论文范文主题研究: | 关于智能建筑的论文范文文献 | 大学生适用: | 硕士毕业论文、硕士毕业论文 |
|---|---|---|---|
| 相关参考文献下载数量: | 58 | 写作解决问题: | 怎么撰写 |
| 毕业论文开题报告: | 文献综述、论文设计 | 职称论文适用: | 期刊目录、职称评副高 |
| 所属大学生专业类别: | 怎么撰写 | 论文题目推荐度: | 优质选题 |
参考文献:
[1]叶香美.单片机控制强电的简单实用电路[J].数字技术与应用,2011,(6).
[2]王月姣,朱家驹.固态继电器在单片机测控系统中的应用[J].中南民族大学学报,2005,24(1):51-53.
[3]张言荣,张宏庆.智能建筑弱电技术及其发展-智能建筑弱电技术研究之一[J].建筑技术开发,2003,30(1):61-64.
作者简介:陈庭宇(1994-),男,四川人,西南交通大学.
智能建筑类论文范文集,与弱电控制强电的应用相关论文参考文献格式参考文献资料:
